您当前的位置::首页>>液压拉伸器
PM系列螺栓拉伸器
产品名称:PM系列螺栓拉伸器
产品分类:拉伸器
型号:PM
用途:紧固螺栓
特点:因减少操作部当引起的超行程使用造成的密封件损坏 一种规格可适合多种规格螺栓 可配手动泵、电动泵站多个拉伸器同时使用
产品详情
PM 系列螺栓拉伸器的特点:
-
因减少操作部当引起的超行程使用造成的密封件损坏
-
一种规格可适合多种规格螺栓
-
可配手动泵、电动泵站多个拉伸器同时使用



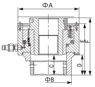
| 型号 | 适用螺栓 (mm) |
最大负载(KN) | 外形尺寸(mm) | 行程(mm) | 重量(kg) | |||||
| A | B | C | D | E | F | |||||
| PM0 | M20 | 2307 | 109 | 55 | 23 | 25 | 111 | 128 | 8 | 3.5 |
| M22 | 60 | 25 | 27 | 113 | 130 | |||||
| M24 | 66 | 27 | 29 | 115 | 132 | |||||
| M27 | 72 | 30 | 32 | 118 | 135 | |||||
| PM1 | M30 | 486 | 109 | 80 | 33 | 35 | 125 | 144 | 5.5 | |
| M33 | 85 | 36 | 38 | 129 | 147 | |||||
| M36 | 90 | 39 | 41 | 132 | 150 | |||||
| PM2 | M33 | 814 | 132 | 85 | 36 | 44 | 135 | 150 | 10 | |
| M36 | 96 | 43 | 43 | 134 | 149 | |||||
| M39 | 98 | 42 | 50 | 141 | 156 | |||||
| M42 | 105 | 45 | 53 | 144 | 159 | |||||
| PM3 | M39 | 989 | 150 | 110 | 42 | 42 | 136 | 150 | 10 | 15 |
| M42 | 113 | 53 | 56 | 150 | 164 | |||||
| M45 | 114 | 50 | 50 | 144 | 161 | |||||
| M48 | 118 | 52 | 52 | 146 | 163 | |||||
| PM4 | M52 | 1413 | 174 | 132 | 55 | 56 | 154 | 174 | 20 | |
| M56 | 135 | 59 | 60 | 158 | 178 | |||||
| PM5 | M56 | 1649 | 198 | 135 | 59 | 60 | 161 | 179 | 25 | |
| M60 | 143 | 64 | 64 | 165 | 183 | |||||
| M64 | 150 | 68 | 68 | 169 | 187 | |||||
| M68 | 158 | 72 | 72 | 173 | 191 | |||||
| PM6 | M72 | 2131 | 222 | 165 | 76 | 76 | 184 | 207 | 30 | |
| M76 | 170 | 80 | 80 | 188 | 211 | |||||
| PM7 | M76 | 2544 | 252 | 170 | 80 | 80 | 194 | 221 | 35 | |
| M80 | 175 | 85 | 85 | 199 | 226 | |||||
| M85 | 190 | 76 | 85 | 199 | 226 | |||||
| M90 | 205 | 95 | 95 | 209 | 236 | |||||
| PM8 | M95 | 3101 | 282 | 215 | 100 | 100 | 214 | 243 | 50 | |
| M100 | 235 | 105 | 105 | 219 | 248 | |||||
| PM9 | M105 | 3792 | 318 | 240 | 110 | 110 | 224 | 254 | 12 | 80 |
| M110 | 235 | 115 | 120 | 234 | 264 | |||||
| M115 | 260 | 120 | 120 | 234 | 264 | |||||
| PM10 | M115 | 4900 | 360 | 260 | 120 | 120 | 261 | 297 | 150 | |
| M120 | 270 | 125 | 125 | 266 | 302 | |||||
| M125 | 286 | 140 | 130 | 271 | 307 | |||||
| PM11 | M130 | 6255 | 408 | 285 | 135 | 135 | 276 | 213 | 135 | |
| M135 | 292 | 140 | 140 | 281 | 217 | |||||
| M140 | 300 | 145 | 145 | 286 | 322 | |||||
| M145 | 312 | 165 | 155 |
公司名称:西安派萨普液压机械设备有限公司 公司地址:西安市雁塔区建工路38号 电 话:029-83643731 手 机:15091283955 网 址:www.paisap.com 邮 编:710000 ![]() | ||||||





